ネグロス電工 レベル調整スペーサー アンカーボルトM12以下用 板厚1.0mm ステンレス製 10個入 S-SPU50R
      取り寄せ品
                  
| メーカー | ネグロス電工 | 
|---|---|
| 型番 | S-SPU50R | 
| JANコード | 4571270401058 | 
ネグロス電工・S-SPU50Rの商品仕様 詳細
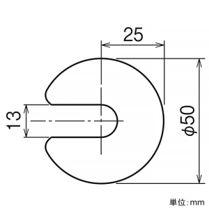
- 【特長】
 ●方向性のない丸形のため、重ねて使用した際、スペーサーどうしのズレが目立たず美観に優れています。
 ●太陽光架台で使用頻度の多いM12アンカーボルトでの使用に適しています。従来品よりズレが生じにくく、手直しの手間が省けます。
 ●U字形状になっているので、アンカーボルトに架台・機器を設置後でも横から差し込めます。
 ●重ねて使用することにより、高さの調整が可能です。
- 【仕様】
 ●仕様:ステンレス鋼
 ●板厚(mm):1.0
 ●適合アンカーボルト:M12以下
 ●10個入
- 【サイズ区分】
 ● 通常…ヤマト運輸でのお届けとなります。サイズ区分について










































