ネグロス電工 ブラケット MRタイプ 全長163.2mm MRB15
      取り寄せ品
                  
| メーカー | ネグロス電工 | 
|---|---|
| 型番 | MRB15 | 
| JANコード | 4571270348315 | 
ネグロス電工・MRB15の商品仕様 詳細
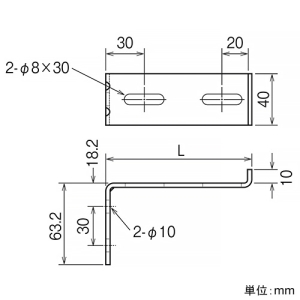
- 【仕様】
 ●ケーブルラック MRタイプ
 ●仕様:溶融亜鉛めっき鋼板
 ●寸法(mm):L 163.2
 ●材質・表面処理:ボルト・ナット 電気亜鉛めっき
 ●質量(kg):0.25
 【ご注意】
 ※許容静荷重はブラケットのみの強度です。壁面にアンカーボルト等で施工の際は、アンカーボルトの引抜力、低減率等を考慮し、ブラケットへの積載荷重を決めてください。
- 【サイズ区分】
 ● 通常…ヤマト運輸でのお届けとなります。サイズ区分について










































