ネグロス電工 【受注生産品】C形支持架台 《ケーブルダクト》 補強フレーム式用 ADSタイプ 幅1000mm Z-SPT100C
送料無料受注生産品
| メーカー | ネグロス電工 |
|---|---|
| 型番 | Z-SPT100C |
| JANコード | 4571270324586 |
ネグロス電工・Z-SPT100Cの商品仕様 詳細
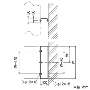
- 【仕様】
●ケーブルダクト
●ダクト・メタルモール ADSタイプ
●補強フレーム式用
●仕様:溶融亜鉛めっき仕上
●寸法(mm):W 1000、W1 500
●質量(kg):5.91
●材質・仕上:ボルト・ナット ステンレス鋼
【ご注意】
※垂直荷重に対しては別途床面等で支持してください。変形の恐れがあります。 - 【サイズ区分】
● 通常…ヤマト運輸でのお届けとなります。サイズ区分について






