ネグロス電工 【受注生産品】支持架台 《ケーブルダクト》 補強フレーム式用 ADSタイプ 幅600mm Z-SPT6045A
送料無料受注生産品
| メーカー | ネグロス電工 |
|---|---|
| 型番 | Z-SPT6045A |
| JANコード | 4571270324494 |
ネグロス電工・Z-SPT6045Aの商品仕様 詳細
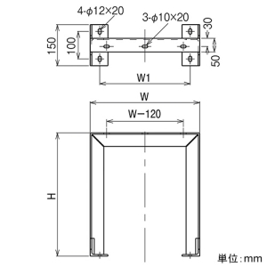
- 【仕様】
●ケーブルダクト
●ダクト・メタルモール ADSタイプ
●補強フレーム式用
●仕様:溶融亜鉛めっき仕上
●寸法(mm):W 600、W1 530、H 450
●質量(kg):6.06
●材質・仕上:ボルト・ナット ステンレス鋼
【ご注意】
※垂直荷重に対しては別途床面等で支持してください。変形の恐れがあります。 - 【サイズ区分】
● 通常…ヤマト運輸でのお届けとなります。サイズ区分について






