ネグロス電工 【受注生産品】C形支持架台 《ケーブルダクト》 ADSタイプ 長さ300mm Z-SPT30C
受注生産品

| メーカー | ネグロス電工 |
|---|---|
| 型番 | Z-SPT30C |
| JANコード | 4571270324531 |
| 定価(税込) | 5,764円21%OFF! |
|---|---|
| 販売価格(税込) | 4,529円 |
| 納期 | 受注生産品 |
| 送料 | 5,500円以上で送料無料! |
| サイズ区分 | 大型商品 |
こちらの商品のお届け先は |
|
ネグロス電工・Z-SPT30Cの商品仕様 詳細
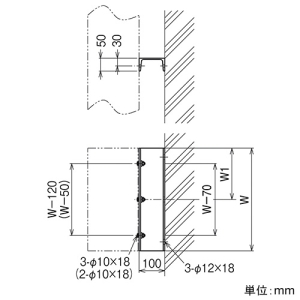
- 【仕様】
●ケーブルダクト
●ダクト・メタルモール ADSタイプ
●仕様:溶融亜鉛めっき仕上
●寸法(mm):W 300、W1 150
●質量(kg):1.77
●材質・仕上:ボルト・ナット ステンレス鋼
【ご注意】
※垂直荷重に対しては別途床面等で支持してください。変形の恐れがあります。 - 【サイズ区分】
● 大型…西濃運輸でのお届けとなります。サイズ区分について





