ネグロス電工 【受注生産品】盤接続金具 《金属ダクト》 DPSタイプ ダクト幅600mm 高さ200mm 標準塗装仕様 P-DPU6020
送料無料受注生産品
| メーカー | ネグロス電工 |
|---|---|
| 型番 | P-DPU6020 |
| JANコード | 4571270312736 |
ネグロス電工・P-DPU6020の商品仕様 詳細
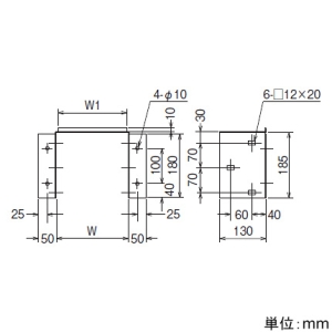
- 【仕様】
●金属ダクト
●ダクト・メタルモール DPSタイプ
●仕様:標準塗装
●寸法(mm):W 603、W1 593
●適合:
・ダクト幅(mm):600
・ダクト高さ(mm):200
●材質:本体 溶融亜鉛めっき鋼板(JIS G 3302)、六角ボルト・ナット 電気亜鉛めっき、角根丸頭ボルト・フランジナット 電気亜鉛めっき
●色:マンセル値5Y7/1
【ご注意】
※「電気設備の技術基準の解釈」の「金属ダクト工事」及び「内線規程」の「金属ダクト配線」に該当します。「電気設備の技術基準の解釈」第162条「金属ダクト工事」に基づき施工してください。
※ダクトを継ぎ金具等で接続する際には、接続H材(DP□H)をご使用ください。
※標準塗装の商品を屋外、湿気・水気の多い場所で使用した場合、早期に赤錆の発生、塗装のはがれ等を起こす場合があります。 - 【サイズ区分】
● 通常…ヤマト運輸でのお届けとなります。サイズ区分について






