ネグロス電工 盤接続金具 ダクト・メタルモール用 ダクト幅500mm 高さ200mm 高耐食性めっき鋼板製 SD-DPU5020
送料無料取り寄せ品
| メーカー | ネグロス電工 |
|---|---|
| 型番 | SD-DPU5020 |
| JANコード | 4571270360348 |
ネグロス電工・SD-DPU5020の商品仕様 詳細
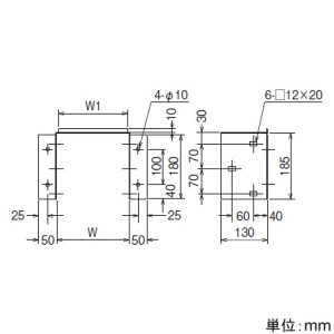
- 【仕様】
●ダクト・メタルモール DPSタイプ・鋼製トラフ
●仕様:高耐食性めっき鋼板(スーパーダイマ)
●寸法(mm):W 503、W1 493
●適合:
・ダクト幅(mm):500
・ダクト高さ(mm):200
●材質:本体 溶融Zn-AI-Mg-Si合金めっき鋼板(スーパーダイマ)、六角ボルト・ナット ステンレス鋼、角根丸頭ボルト・六角ナット・座金 ステンレス鋼
【ご注意】
※「電気設備の技術基準の解釈」の「金属ダクト工事」及び「内線規程」の「金属ダクト配線」に該当します。「電気設備の技術基準の解釈」第162条「金属ダクト工事」に基づき施工してください。
※ダクトを継ぎ金具等で接続する際には、接続H材(DP□H)をご使用ください。
※端面は鉄素地が露出しているので赤錆が発生しますが、端面のめっき層がなくなるまで腐食が進行することはありません。美観等の理由で端面の赤錆が問題となる場合は、溶融亜鉛めっき仕上のダクトのご使用をお勧めします。 - 【サイズ区分】
● 通常…ヤマト運輸でのお届けとなります。サイズ区分について






