ネグロス電工 分岐用継ぎ金具 《金属ダクト》 DPSタイプ ダクト高さ200mm 標準塗装仕様 P-DPLG200
取り寄せ品

| メーカー | ネグロス電工 |
|---|---|
| 型番 | P-DPLG200 |
| JANコード | 4571270312507 |
| 定価(税込) | 5,984円21%OFF! |
|---|---|
| 販売価格(税込) | 4,702円 |
| 納期 | 取り寄せ品 |
| 送料 | 5,500円以上で送料無料! |
| サイズ区分 | 大型商品 |
こちらの商品のお届け先は |
|
ネグロス電工・P-DPLG200の商品仕様 詳細
- 【仕様】
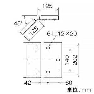
●金属ダクト
●ダクト・メタルモール DPSタイプ
●仕様:標準塗装
●適合ダクト高さ(mm):200
●材質:本体 溶融亜鉛めっき鋼板(JIS G 3302)、ボルト・フランジナット 電気亜鉛めっき
●色:マンセル値5Y7/1
【ご注意】
※継ぎ金具等で接続する際には、接続H材DP□Hをご使用ください。
※ケーブルプロテクターBは、両面テープで固定します。接着する面の汚れを取り除いてから取り付けてください。 - 【サイズ区分】
● 大型…西濃運輸でのお届けとなります。サイズ区分について





