ネグロス電工 分岐用継ぎ金具 ダクト・メタルモール用 ダクト高さ100mm 高耐食性めっき鋼板製 SD-DPLG100
取り寄せ品

| メーカー | ネグロス電工 |
|---|---|
| 型番 | SD-DPLG100 |
| JANコード | 4571270351384 |
| 定価(税込) | 3,542円21%OFF! |
|---|---|
| 販売価格(税込) | 2,783円 |
| 納期 | 取り寄せ品 |
| 送料 | 5,500円以上で送料無料! |
| サイズ区分 | 大型商品 |
こちらの商品のお届け先は |
|
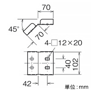
ネグロス電工・SD-DPLG100の商品仕様 詳細
- 【仕様】
●金属ダクト・鋼製トラフ
●ダクト・メタルモール
●仕様:高耐食性めっき鋼板(スーパーダイマ)
●適合ダクト高さ(mm):100
●材質:本体 溶融Zn-AI-Mg-Si合金めっき鋼板(スーパーダイマ)、ボルト・六角ナット・座金 ステンレス鋼
【ご注意】
※継ぎ金具等で接続する際には、接続H材DP□Hをご使用ください。
※ケーブルプロテクターBは、両面テープで固定します。接着する面の汚れを取り除いてから取り付けてください。 - 【サイズ区分】
● 大型…西濃運輸でのお届けとなります。サイズ区分について





