41H5 ネグロス電工 フレーム金具 《ネグストラット®》
取り寄せ品

| メーカー | ネグロス電工 |
|---|---|
| 型番 | 41H5 |
| JANコード | 4571270351636 |
| 定価(税込) | 1,364円14%OFF! |
|---|---|
| 販売価格(税込) | 1,169円 |
| 納期 | 取り寄せ品 |
| 送料 | 5,500円以上で送料無料! |
| サイズ区分 | 大型商品 |
こちらの商品のお届け先は |
|
ネグロス電工・41H5の商品仕様 詳細
- 【特長】
●豊富な組立フレーム金具で状況に合わせてアレンジが可能。色々な用途にお使いいただけます。
●全ての金具は六角ボルトM10締めの1サイズだから組立ラクラク。
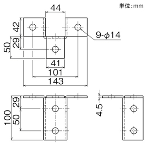
●工場、ビルなどの幹線配管工事用フレーム、変電設備工事用フレーム、分電盤用フレーム等、多目的に使用できます。 - 【仕様】
●組立フレーム ネグストラット®
●ハンガー・サポートシステム
●仕様:電気亜鉛めっき
●質量(kg):0.65
【ご注意】
※ボルト・ナットは含まれていません。 - 【サイズ区分】
● 大型…西濃運輸でのお届けとなります。サイズ区分について
41H5に関するよくあるご質問
※ご質問は製品仕様に関する内容に限らせていただきます。





