ネグロス電工 コーナーアングル 《サポートシステム》 D41タイプ・41SP用 SPS20S
取り寄せ品

| メーカー | ネグロス電工 |
|---|---|
| 型番 | SPS20S |
| JANコード | 4571270298146 |
| 定価(税込) | 2,222円14%OFF! |
|---|---|
| 販売価格(税込) | 1,905円 |
| 納期 | 取り寄せ品 |
| 送料 | 5,500円以上で送料無料! |
| サイズ区分 | 大型商品 |
こちらの商品のお届け先は |
|
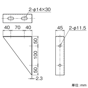
ネグロス電工・SPS20Sの商品仕様 詳細
- 【特長】
●地下共同溝での電線管支持や、ケーブルラック・ブラケット支持まで、多目的資材として使用できるサポートシステムです。 - 【仕様】
●サポートシステム
●ハンガー・サポートシステム
●仕様:溶融亜鉛めっき仕上げ
●適合:チャンネル:D41タイプ、41SP - 【サイズ区分】
● 大型…西濃運輸でのお届けとなります。サイズ区分について





