2CUE ネグロス電工 【受注生産品】2R用枠組金具 《ネジック®》 盤・火災報知設備用
受注生産品

| メーカー | ネグロス電工 |
|---|---|
| 型番 | 2CUE |
| JANコード | 4571270408194 |
| 定価(税込) | 133円14%OFF! |
|---|---|
| 販売価格(税込) | 113円 |
| 納期 | 受注生産品 |
| 送料 | 5,500円以上で送料無料! |
| サイズ区分 | 大型商品 |
こちらの商品のお届け先は |
|
ネグロス電工・2CUEの商品仕様 詳細
- 【特長】
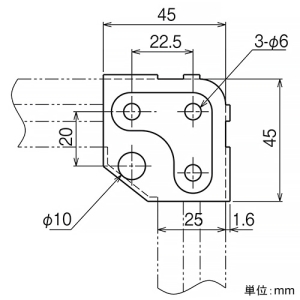
●2RU相互のT字、またはL字(コーナー)接続に用います。 - 【仕様】
●ネジック®
●盤・火災報知設備用部材
●仕様:電気亜鉛めっき
●適合レール:2RU型 - 【サイズ区分】
● 大型…西濃運輸でのお届けとなります。サイズ区分について
2CUEに関するよくあるご質問
※ご質問は製品仕様に関する内容に限らせていただきます。





