1RCE ネグロス電工 【受注生産品】1R用押え金具 《ネジック®》 盤・火災報知設備用
受注生産品

| メーカー | ネグロス電工 |
|---|---|
| 型番 | 1RCE |
| JANコード | 4571270408521 |
| 定価(税込) | 280円14%OFF! |
|---|---|
| 販売価格(税込) | 240円 |
| 納期 | 受注生産品 |
| 送料 | 5,500円以上で送料無料! |
| サイズ区分 | 大型商品 |
こちらの商品のお届け先は |
|
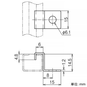
ネグロス電工・1RCEの商品仕様 詳細
- 【特長】
●1Rレールの中間部分を押さえて取り付ける金具です。 - 【仕様】
●ネジック®
●盤・火災報知設備用部材
●仕様:電気亜鉛めっき
●適合レール:1R型 - 【サイズ区分】
● 大型…西濃運輸でのお届けとなります。サイズ区分について
1RCEに関するよくあるご質問
※ご質問は製品仕様に関する内容に限らせていただきます。





