ネグロス電工 【受注生産品】段違い継ぎ金具 FRタイプ 適合ラック7・10FR FRD7-10
受注生産品

| メーカー | ネグロス電工 |
|---|---|
| 型番 | FRD7-10 |
| JANコード | 4571270278759 |
| 定価(税込) | 3,740円27%OFF! |
|---|---|
| 販売価格(税込) | 2,707円 |
| 納期 | 受注生産品 |
| 送料 | 5,500円以上で送料無料! |
| サイズ区分 | 大型商品 |
こちらの商品のお届け先は |
|
ネグロス電工・FRD7-10の商品仕様 詳細
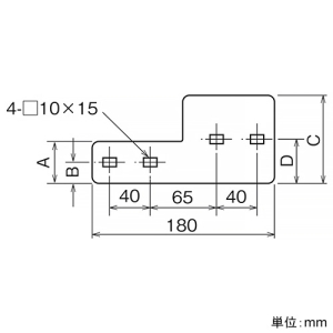
- 【仕様】
●ケーブルラック FRタイプ
●仕様:ステンレス鋼
●寸法(mm):A 59、B 29、C 88、D 44
●適合ラック:7FRと10FR
●質量(kg):0.26 - 【サイズ区分】
● 大型…西濃運輸でのお届けとなります。サイズ区分について





