ネグロス電工 【受注生産品】段違い継ぎ金具 FRタイプ 適合ラック5・10FR FRD5-10
受注生産品

| メーカー | ネグロス電工 |
|---|---|
| 型番 | FRD5-10 |
| JANコード | 4571270278742 |
| 定価(税込) | 3,652円27%OFF! |
|---|---|
| 販売価格(税込) | 2,643円 |
| 納期 | 受注生産品 |
| 送料 | 5,500円以上で送料無料! |
| サイズ区分 | 大型商品 |
こちらの商品のお届け先は |
|
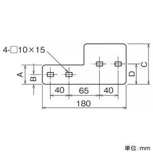
ネグロス電工・FRD5-10の商品仕様 詳細
- 【仕様】
●ケーブルラック FRタイプ
●仕様:ステンレス鋼
●寸法(mm):A 39、B 19、C 88、D 44
●適合ラック:5FRと10FR
●質量(kg):0.25 - 【サイズ区分】
● 大型…西濃運輸でのお届けとなります。サイズ区分について





