ネグロス電工 【受注生産品】段違い継ぎ金具 FRタイプ 適合ラック5・7FR FRD5-7
受注生産品

| メーカー | ネグロス電工 |
|---|---|
| 型番 | FRD5-7 |
| JANコード | 4571270278735 |
| 定価(税込) | 3,388円27%OFF! |
|---|---|
| 販売価格(税込) | 2,451円 |
| 納期 | 受注生産品 |
| 送料 | 5,500円以上で送料無料! |
| サイズ区分 | 大型商品 |
こちらの商品のお届け先は |
|
ネグロス電工・FRD5-7の商品仕様 詳細
- 【仕様】
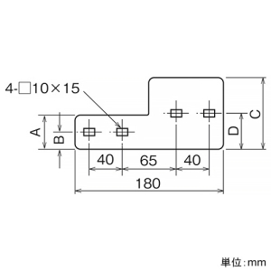
●ケーブルラック FRタイプ
●仕様:ステンレス鋼
●寸法(mm):A 40、B 20、C 60、D 30
●適合ラック:5FRと7FR
●質量(kg):0.21 - 【サイズ区分】
● 大型…西濃運輸でのお届けとなります。サイズ区分について





