ネグロス電工 【受注生産品】口径違い金具 FRタイプ 適合ラック10FR 幅200mm 10FRR20
受注生産品

| メーカー | ネグロス電工 |
|---|---|
| 型番 | 10FRR20 |
| JANコード | 4571270280295 |
| 定価(税込) | 5,324円27%OFF! |
|---|---|
| 販売価格(税込) | 3,853円 |
| 納期 | 受注生産品 |
| 送料 | 5,500円以上で送料無料! |
| サイズ区分 | 大型商品 |
こちらの商品のお届け先は |
|
ネグロス電工・10FRR20の商品仕様 詳細
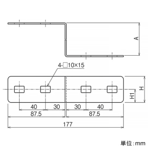
- 【仕様】
●ケーブルラック FRタイプ
●仕様:ステンレス鋼
●寸法(mm):A 200、H 88、H1 44
●適合ラック:10FR
●質量(kg):0.58
【ご注意】
※口径違い金具の両側300mm以内を吊り金具等で支持してください。破損の恐れがあります。 - 【サイズ区分】
● 大型…西濃運輸でのお届けとなります。サイズ区分について





