ネグロス電工 【受注生産品】X形分岐ラック FRタイプ 適合ラック10FR 幅1000mm 10FRX100
送料無料受注生産品
| メーカー | ネグロス電工 |
|---|---|
| 型番 | 10FRX100 |
| JANコード | 4571270279992 |
ネグロス電工・10FRX100の商品仕様 詳細
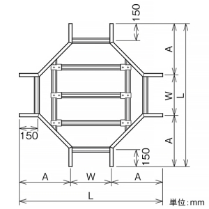
- 【仕様】
●ケーブルラック FRタイプ
●寸法(mm):W 1000、L 1900、A 450
●適合ラック:10FR
●質量(kg):23.22
●材質:FRP(強化プラスチック) - 【サイズ区分】
● 大型…西濃運輸でのお届けとなります。サイズ区分について






