ネグロス電工 【受注生産品】X形分岐ラック FRタイプ 適合ラック7FR 幅200mm 7FRX20
送料無料受注生産品
| メーカー | ネグロス電工 |
|---|---|
| 型番 | 7FRX20 |
| JANコード | 4571270279343 |
ネグロス電工・7FRX20の商品仕様 詳細
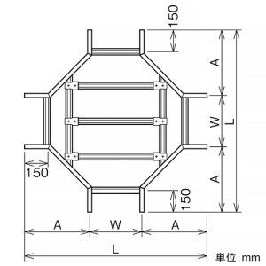
- 【仕様】
●ケーブルラック FRタイプ
●寸法(mm):W 200、L 1100、A 450
●適合ラック:7FR
●質量(kg):8.68
●材質:FRP(強化プラスチック) - 【サイズ区分】
● 通常…ヤマト運輸でのお届けとなります。サイズ区分について






