ネグロス電工 【受注生産品】X形分岐ラック FRタイプ 適合ラック5FR 幅300mm 5FRX30
送料無料受注生産品
| メーカー | ネグロス電工 |
|---|---|
| 型番 | 5FRX30 |
| JANコード | 4571270278407 |
ネグロス電工・5FRX30の商品仕様 詳細
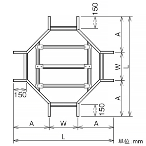
- 【仕様】
●ケーブルラック FRタイプ
●寸法(mm):W 300、L 1300、A 500
●適合ラック:5FR
●質量(kg):8.66
●材質:FRP(強化プラスチック) - 【サイズ区分】
● 通常…ヤマト運輸でのお届けとなります。サイズ区分について






