ネグロス電工 立上りカバー止め金具 ARタイプ 適合ラック7AR CVV7A1
取り寄せ品

| メーカー | ネグロス電工 |
|---|---|
| 型番 | CVV7A1 |
| JANコード | 4571270288765 |
| 定価(税込) | 2,684円34%OFF! |
|---|---|
| 販売価格(税込) | 1,766円 |
| 納期 | 取り寄せ品 |
| 送料 | 5,500円以上で送料無料! |
| サイズ区分 | 大型商品 |
こちらの商品のお届け先は |
|
ネグロス電工・CVV7A1の商品仕様 詳細
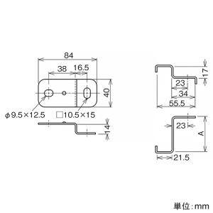
- 【仕様】
●ケーブルラック ARタイプ
●仕様:ステンレス鋼
●寸法(mm):A 51
●適合ケーブルラック:7AR
●質量(kg):0.23
【ご注意】
※立上りカバー止め金具の突起部の保護にはCVVBCをご使用ください。 - 【サイズ区分】
● 大型…西濃運輸でのお届けとなります。サイズ区分について





