ネグロス電工 【受注生産品】エンドキャップ ARタイプ 適合ラック幅1000mm 適合ラック8AR 8ARC100K
受注生産品

| メーカー | ネグロス電工 |
|---|---|
| 型番 | 8ARC100K |
| JANコード | 4571270360928 |
| 定価(税込) | 5,082円34%OFF! |
|---|---|
| 販売価格(税込) | 3,344円 |
| 納期 | 受注生産品 |
| 送料 | 5,500円以上で送料無料! |
| サイズ区分 | 大型商品 |
こちらの商品のお届け先は |
|
ネグロス電工・8ARC100Kの商品仕様 詳細
- 【仕様】
●ケーブルラック ARタイプ
●仕様:アルミニウム合金
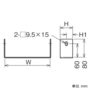
●寸法(mm):H 75、H1 37.5、W 1004
●適合:
・ケーブルラック:8AR
・ラック幅(mm):1000
●質量(kg):0.71
●材質:本体 アルミニウム合金の押出形材(JIS H 4100)、ボルト・ナット ステンレス鋼
●表面処理:アルマイト処理クリア塗装 - 【サイズ区分】
● 大型…西濃運輸でのお届けとなります。サイズ区分について





