ネグロス電工 エンドキャップ ARタイプ 適合ラック幅800mm 適合ラック7AR 7ARC80K
取り寄せ品

| メーカー | ネグロス電工 |
|---|---|
| 型番 | 7ARC80K |
| JANコード | 4571270360935 |
| 定価(税込) | 4,290円34%OFF! |
|---|---|
| 販売価格(税込) | 2,822円 |
| 納期 | 取り寄せ品 |
| 送料 | 5,500円以上で送料無料! |
| サイズ区分 | 大型商品 |
こちらの商品のお届け先は |
|
ネグロス電工・7ARC80Kの商品仕様 詳細
- 【仕様】
●ケーブルラック ARタイプ
●仕様:アルミニウム合金
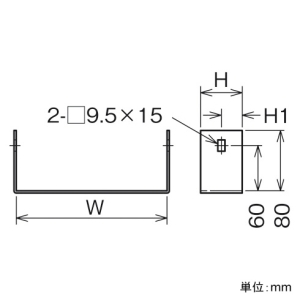
●寸法(mm):H 65、H1 32.5、W 804
●適合:
・ケーブルラック:7AR
・ラック幅(mm):800
●質量(kg):0.57
●材質:本体 アルミニウム合金の押出形材(JIS H 4100)、ボルト・ナット ステンレス鋼
●表面処理:アルマイト処理クリア塗装 - 【サイズ区分】
● 大型…西濃運輸でのお届けとなります。サイズ区分について





