オンダ製作所 ダブルロックジョイント WJ8型 配管アダプター(黄銅) Φ58 Rc1/2×13A WJ8-1313-S
取り寄せ品
| メーカー | オンダ製作所 |
|---|---|
| 型番 | WJ8-1313-S |
| JANコード | 4560465620305 |
オンダ製作所・WJ8-1313-Sの商品仕様 詳細
- 【特長】
●架橋ポリエチレン管・ポリブテン管用ワンタッチ継手です。
●流路径が広く、流量が確保しやすい外径シール構造を採用。
●テーパめねじ(Rcねじ)床立上げ用の継手です。
●給水・給湯・暖房・融雪配管用。
●本体:黄銅 - 【仕様】
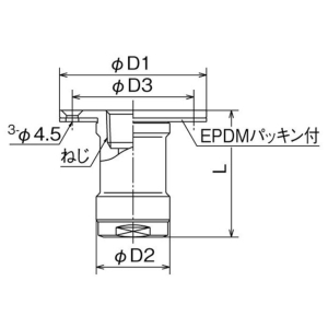
●品名:ダブルロックジョイント WJ8型 配管アダプター(黄銅) Φ58 Rc1/2×13A
●L(mm):50
●D(mm):Φ29
●最高使用圧力(MPa):1.75
●使用温度範囲(℃):-20〜95
●呼び径:13
●Rcねじ:1/2
●ツバ径(mm):Φ58
●日本水道協会認証登録品 - 【サイズ区分】
● 通常…ヤマト運輸でのお届けとなります。サイズ区分について






