オンダ製作所 SBFS2型(レデューストボア) Rc3/8 レバーハンドル SBFS2-10
取り寄せ品
| メーカー | オンダ製作所 |
|---|---|
| 型番 | SBFS2-10 |
| JANコード | 4573472180038 |
オンダ製作所・SBFS2-10の商品仕様 詳細
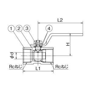
- 【特徴】
●材質はオーステナイト系ステンレスで優れた耐食性です。
●ロストワックス鋳造品のため、安定した品質です。 - 【仕様】
●呼び径A:10
●呼び径B:3/8
●全長(mm):44
●高さ(mm):36
●ハンドル長D(mm):71
●最高許容圧力(MPa):5.6
●使用温度範囲(℃):-20〜180
●適応流体:冷温水・油・ガス(可燃性・毒性以外)・飽和蒸気(許容圧力1.0MPa)
●内径(mm):7
●許容圧力:4.2MPa(-20〜180℃)
●レデューストボアタイプ
●ロストワックス鋳造品
●ステンレス(SCS13A:SUS304系)
●ロストワックス鋳造品
●冷温水・油・ガス(可燃性・毒性以外)・飽和蒸気(許容圧力1.0MPa)用。 - 【サイズ区分】
● 通常…ヤマト運輸でのお届けとなります。サイズ区分について






