オンダ製作所 フリーボールML3型 R1/4 × R1/4 ML3-08
取り寄せ品
| メーカー | オンダ製作所 |
|---|---|
| 型番 | ML3-08 |
| JANコード | 4573472180922 |
オンダ製作所・ML3-08の商品仕様 詳細
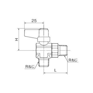
- 【特徴】
●省スペースボールバルブです。
●配管都合によりハンドル位置・開閉方向を自由に変更できます。 - 【仕様】
●呼び径A:8
●呼び径B:1/4
●全長(mm):30.5
●高さ(mm):50
●ハンドル長D(mm):25
●最高許容圧力(MPa):1.0
●使用温度範囲(℃):-20〜80
●適応流体:冷温水・油・エアー
●内径(mm):6
●許容圧力:1.0MPa(-20〜80℃)
●Rねじ×Rねじ
●黄銅(C3771BE)
●冷温水・油・空気用。 - 【サイズ区分】
● 通常…ヤマト運輸でのお届けとなります。サイズ区分について






