オンダ製作所 フリーボールML1型 Rc1/4 × Rc1/4 ML1-08
      取り寄せ品
                  
| メーカー | オンダ製作所 | 
|---|---|
| 型番 | ML1-08 | 
| JANコード | 4573472180861 | 
オンダ製作所・ML1-08の商品仕様 詳細
- 【特徴】
●省スペースボールバルブです。
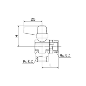
●配管都合によりハンドル位置・開閉方向を自由に変更できます。 - 【仕様】
●呼び径A:8
●呼び径B:1/4
●全長(mm):22.5
●高さ(mm):50
●ハンドル長D(mm):25
●最高許容圧力(MPa):1.0
●使用温度範囲(℃):-20〜80
●適応流体:冷温水・油・エアー
●内径(mm):6
●許容圧力:1.0MPa(-20〜80℃)
●Rcねじ×Rcねじ
●黄銅(C3771BE)
●冷温水・油・空気用。 - 【サイズ区分】
● 通常…ヤマト運輸でのお届けとなります。サイズ区分について 





