オンダ製作所 イーボールME1型 Rc1/4 × Rc1/4 ME1-08M
取り寄せ品

| メーカー | オンダ製作所 |
|---|---|
| 型番 | ME1-08M |
| JANコード | 4573472181233 |
オンダ製作所・ME1-08Mの商品仕様 詳細
- 【特徴】
●フリーボール・ミニチュアボールバルブに比べて面間寸法が短く、部品点数が少ないシンプル設計です。
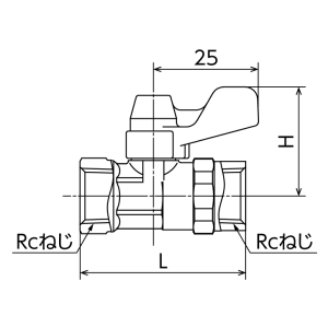
●ハンドルはワンタッチ着脱式なので施工の邪魔になりません。 - 【仕様】
●呼び径A:8
●呼び径B:1/4
●全長(mm):39.5
●高さ(mm):26
●ハンドル長D(mm):25
●最高許容圧力(MPa):1.0
●使用温度範囲(℃):-20〜80
●適応流体:冷温水・油・エアー
●内径(mm):5.5
●許容圧力:1.0MPa(-20〜80℃)
●着脱式ハンドル
●Rcねじ×Rcねじ
●黄銅(C3771BE)
●冷温水・油・空気用。 - 【サイズ区分】
● 通常…ヤマト運輸でのお届けとなります。サイズ区分について





