オンダ製作所 フリーボールM2型Rタイプ(ロングハンドル) Rc1/4 × R1/4 M2-08MLR
取り寄せ品

| メーカー | オンダ製作所 |
|---|---|
| 型番 | M2-08MLR |
| JANコード | 4573472181110 |
オンダ製作所・M2-08MLRの商品仕様 詳細
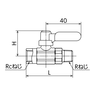
- 【特徴】
●省スペースボールバルブです。
●配管都合によりハンドル位置・開閉方向を自由に変更できます。 - 【仕様】
●呼び径A:8
●呼び径B:1/4
●全長(mm):53
●高さ(mm):29
●ハンドル長D(mm):40
●最高許容圧力(MPa):1.0
●使用温度範囲(℃):-20〜80
●適応流体:冷温水・油・エアー
●内径(mm):6
●許容圧力:1.0MPa(-20〜80℃)
●Rcねじ×Rねじ
●黄銅(C3771BE)
●冷温水・油・空気用。 - 【サイズ区分】
● 通常…ヤマト運輸でのお届けとなります。サイズ区分について





