オンダ製作所 FF2型(フルボアコンパクト) Rc1 1/2 FF2-40
送料無料取り寄せ品

| メーカー | オンダ製作所 |
|---|---|
| 型番 | FF2-40 |
| JANコード | 4573472180786 |
オンダ製作所・FF2-40の商品仕様 詳細
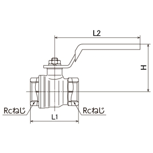
- 【特徴】
●面間寸法が短いため、省スペース配管が可能です。
●肉厚設計で耐圧性能が向上しています。 - 【仕様】
●呼び径A:40
●呼び径B:1 1/2
●全長(mm):85.5
●高さ(mm):69.5
●ハンドル長D(mm):151
●最高許容圧力(MPa):4.2
●使用温度範囲(℃):-15〜70
●適応流体:冷温水・不凍液・油・エアー
●内径(mm):38
●許容圧力:4.2MPa(-15〜70℃)、0.5MPa(150℃以下)
●フルボアコンパクトタイプ
●黄銅(C3771BE)
●冷温水・不凍液・油・空気用。 - 【サイズ区分】
● 通常…ヤマト運輸でのお届けとなります。サイズ区分について





